Contents
- 【全体図】基板配置マップ
- 1. 電源基板 (Power Supply Board)
- 2. テープ走行制御基板 (Tape Transport Control)
- 3. 速度制御基板 (Speed Control Board)
- 4. テープモーションセンサー (Tape Motion Sensor)
- 【保存版】Revox B77 オーディオ基板構成リスト
- 1. 入力アンプ基板 (Input Amplifier)
- 2. 録音アンプ基板 (Record Amplifier)
- 3. 発振回路基板 (Oscillator)
- 4. 再生アンプ基板 (Reproduce Amplifier)
- 5. モニターアンプ基板 (Monitor Amplifier)
- まとめ:レストアの地図
Revox B77が名機と呼ばれる理由の一つに、メンテナンス性に優れた「モジュラー構造」があります。
電源、走行制御、オーディオ回路などがそれぞれ独立した「プラグイン基板」になっており、故障箇所の特定や修理が非常に合理的です。
この記事では、B77の動作の根幹を担う「走行系および電源系」の主要な4つの基板について、サービスマニュアル(Section 5.8, 5.9)に基づき、その役割と配置を解説します。
レストアを始める前に、まずはこの「基板マップ」で全体像を把握しましょう。
【全体図】基板配置マップ
まずは、裏蓋を開けた際に見える基板の配置を確認します。
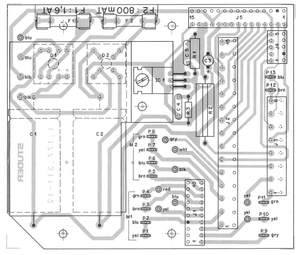
1. 電源基板 (Power Supply Board)

| POS NO | PART NO | VALUE | SPECIFICATIONS | EQUIVALENT | MFR |
|---|---|---|---|---|---|
| C 01 | 59.25.5222 | 2200 U | -10% 35V EL | ||
| C 02 | 59.25.5222 | 2200 U | -10% 35V EL | ||
| C 03 | 59.30.1101 | 100 U | -20% 3V TA | ||
| 1) C 04 | 59.32.3104 | 100 N | 20% 40V CER | ||
| 1) C 05 | 59.32.3104 | 100 N | 20% 40V CER | ||
| D 01 | 70.01.0226 | 280V/2A | Bridge Rect. SI | ||
| D 02 | 70.01.0226 | 280V/2A | Bridge Rect. SI | ||
| F 01 | 51.01.0119 | 1,6AT | 5 x 20 Slow Blow | ||
| F 02 | 51.01.0116 | 800 mAT | 5 x 20 Slow Blow | ||
| IC 01 | 50.05.0242 | 78 M 20 | 20V 0,5 A | F,T | |
| J 01 | 54.01.0290 | 10-Pole | Socket Strip | ||
| J 02 | 54.01.0535 | 15-Pole | “ | ||
| J 03 | 54.01.0546 | 8-Pole | “ | ||
| J 04 | 54.01.0288 | 5-Pole | “ | ||
| J 05 | 54.01.0219 | 15-Pole | “ | ||
| P 1-13 | 54.02.0320 | Flat Pin 0,8 AMP | |||
| R 01 | 57.42.4182 | 1,8 K | 5% .33W CF | ||
| R 02 | 57.56.4220 | 22 | 5% 4 W WW | ||
| R 03 | 57.41.4820 | 82 | 5% .25W CF | ||
Part No: 1.177.310.00( / 311 / 312)
B77の心臓部です。巨大な電源トランスユニットにマウントされています。
- 役割:
トランスからの入力を整流し、以下の電圧を供給します。- +24V (非安定): モーターやソレノイドなどの駆動系へ。
- +21V (安定化): オーディオ回路および制御回路へ。
- 特徴 (Section 5.8より):
マニュアルによれば、+21VラインはICレギュレータによって制御されており、電圧変動は5%以内に抑えられています。また、ショート保護回路も内蔵されています。 - 【レストアの勘所】
ここには、電源ON/OFF時の不快なポップノイズ(「ボッ」という音)を防ぐための遅延リレー回路(Q4, Q6, Q7, Q9およびリレーK1)が含まれています。電源投入直後に音が鳴らないのは、この回路が正常に働いている証拠です。
2. テープ走行制御基板 (Tape Transport Control)

| POS NO | PART NO | VALUE | SPECIFICATIONS | EQUIVALENT | MFR |
|---|---|---|---|---|---|
| C 01 | 59.22.6470 | 47 U | -10% 40V EL | ||
| C 02 | 59.30.6339 | 3,3 U | -20% 35V TA | ||
| C 03 | 59.30.4100 | 10 U | -20% 16V TA | ||
| C 04 | 59.30.6339 | 3,3 U | -20% 35V TA | ||
| C 05 | 59.30.2470 | 47 U | -20% 6,3V TA | ||
| C 06 | 59.22.3101 | 100 U | -10% 12V EL | ||
| C 07 | 59.25.4100 | 10 U | -10% 25V EL | ||
| C 08 | 59.30.6339 | 3,3 U | -20% 35V TA | ||
| C 09 | 59.30.6339 | 3,3 U | |||
| C 10 | 59.30.6339 | 3,3 U | |||
| C 11 | 59.30.6339 | 3,3 U | |||
| C 12 | 59.30.6339 | 3,3 U | |||
| C 13 | 59.30.6339 | 3,3 U | |||
| C 14 | 59.30.6339 | 3,3 U | |||
| D 01 | 50.04.0122 | 1 N 4001 | any | ||
| D 02 | 50.04.0125 | 1 N 4448 | any | ||
| D 03 | 50.04.0125 | 1 N 4448 | any | ||
| D 04 | 50.04.0125 | 1 N 4448 | any | ||
| D 05 | 50.04.1108 | Z 5V6 | 5,6V 5% 400mW | ||
| D 06 | 50.04.0125 | 1 N 4448 | any | ||
| DLQ 1 | 50.99.0126 | 4 N 28 | Ic/If = min.10% | TIL 118 | O,TI |
| IC 01 | 50.06.0000 | SN74LS00 | LS-TTL | any | |
| IC 02 | 50.06.0000 | SN74LS00 | LS-TTL | any | |
| IC 03 | 50.06.0000 | SN74LS00 | LS-TTL | any | |
| IC 04 | 50.05.0143 | SC 10429 | none | M | |
| J 01 | 54.01.0288 | 5 – Pole | Socket Strip AMP | ||
| J 02 | 54.01.0242 | 10 – Pole | Socket Strip AMP | ||
| J 03 | 54.01.0262 | 8 – Pole | Socket Strip AMP | ||
| P 01 | 54.01.0481 | 15 – Pole | Pin Strip AMP | ||
| Q 01 | 50.99.0119 | 2 N 6073 B | TRIAC 400V/3A | M | |
| Q 02 | 50.99.0119 | 2 N 6073 B | |||
| Q 03 | 50.99.0119 | 2 N 6073 B | |||
| Q 04 | 50.99.0119 | 2 N 6073 B | |||
| Q 05 | 50.03.0436 | BC 107 B | NPN | any | |
| Q 06 | 50.03.0478 | BD 139 | medium power | NPN | T,S |

Part No: 1.177.315 / 317
B77の頭脳です。ボタン操作に対して「どう動くか」を指令するロジック回路です。
- 役割:
再生、早送り、巻き戻しなどの操作ボタンからの信号を受け取り、リールモーターやブレーキソレノイドを制御します。 - 特徴 (Section 5.9より):
- ロジックIC制御: 操作コマンドはICチップに記憶されます。これにより、機械式のガチャガチャしたレバー操作ではなく、ソフトタッチなボタン操作を実現しています。
- トライアック制御: モーターのON/OFFには、リレー(物理接点)ではなく「トライアック(半導体スイッチ)」が使われています。接点摩耗がないため、非常に高い信頼性を誇ります。
- 【レストアの勘所】
この基板には、悪名高い**「RIFA製コンデンサ」**が使用されていることが多く、経年劣化で発煙・破裂するトラブルの定番箇所です。動作していても予防交換が必須です。
3. 速度制御基板 (Speed Control Board)

Part No: 1.177.325
キャプスタンモーター(テープ送り用モーター)の回転速度を一定に保つための基板です。
- 役割:
キャプスタンモーターに内蔵されたタコヘッド(回転センサー)からの信号を読み取り、モーターの回転数を厳密に制御(サーボコントロール)します。 - 特徴:
B77の正確なピッチ(音程)は、この基板の精度にかかっています。テープ速度(9.5cm/s や 19cm/s)の切り替えもこの基板が司っています。
4. テープモーションセンサー (Tape Motion Sensor)
Part No: 1.177.320 / 321
右側のリールモーター付近にある小さな基板です。
- 役割:
テープが実際に動いているかどうかを光電センサーで検知しています。 - なぜ重要か:
例えば「早送り」から急に「再生」ボタンを押した際、テープが高速で動いている状態でブレーキやピンチローラーがかかると、テープが切れてしまいます。
このセンサーが「テープがまだ動いている」と検知している間は、次の動作に移らないように保護(インターロック)をかけています。
| コマンド / 状態 | ピンチ圧着 | ブレーキ開放 | 左モーター (供給) | 右モーター (巻取) | 音声出力 | REC LED |
|---|---|---|---|---|---|---|
| ① POWER ON | OFF (0) | OFF (Lock) | 停止 | 停止 | ミュート | 消灯 |
| ③ PLAY (再生) | ON (1) | ON (Free) | 弱・逆回転 バックテンション | 強・正回転 巻き取り | 出力 (1) | 消灯 |
| ④ PLAY + REC (録音) | ON (1) | ON (Free) | 弱・逆回転 バックテンション | 強・正回転 巻き取り | 出力 (1) | 点灯 |
| ⑤ STOP (停止) | OFF (0) | OFF (Lock) | 停止 | 停止 | ミュート | 消灯 |
| ⑥ FORW (早送り) | OFF (0) | ON (Free) | 弱・正回転 送り出し補助 | 最強・正回転 高速巻き取り | ミュート | 消灯 |
| ⑦ REW (巻き戻し) | OFF (0) | ON (Free) | 最強・逆回転 高速巻き取り | 弱・逆回転 送り出し補助 | ミュート | 消灯 |
| ⑪ PAUSE (一時停止) | OFF (0) | OFF (Lock) | 停止 | 停止 | ミュート | 点灯(※録音時) |
| ⑳ Tape End (終了) | OFF (0) | OFF (Lock) | 停止 | 停止 | ミュート | 消灯 |
【保存版】Revox B77 オーディオ基板構成リスト
| PART NUMBER | PCB NAME / SPECIFICATION |
|---|---|
| Interconnection (Motherboard) | |
| 1.177.210.81 | Audio Interconnection PCB |
| Input Amplifier | |
| 1.177.220.00 | Input Amplifier PCB (Standard) |
| 1.177.221.00 | Input Amplifier PCB (Variation) |
| Record Amplifier (録音アンプ) | |
| 1.177.230.81 | NAB 3.75 – 7.5 ips (標準速度 / 9.5-19cm) |
| 1.177.232.81 | NAB 7.5 – 15 ips (High Speed / 19-38cm) |
| 1.177.233.81 | IEC 7.5 – 15 ips (High Speed / 欧州規格EQ) |
| 1.177.237.81 | NAB 1.875 – 3.75 ips (Low Speed / 4.75-9.5cm) |
| 1.177.215.00 | Muting Circuit (各録音基板に付属) |
| Oscillator (発振回路) | |
| 1.177.240.00 | Oscillator PCB (4 Track / 2 Track) |
| Reproduce Amplifier (再生アンプ) | |
| 1.177.250.81 | NAB 3.75 – 7.5 ips (標準速度 / 9.5-19cm) |
| 1.177.252.81 | NAB 7.5 – 15 ips (High Speed / 19-38cm) |
| 1.177.253.81 | IEC 7.5 – 15 ips (High Speed / 欧州規格EQ) |
| 1.177.257.81 | NAB 1.875 – 3.75 ips (Low Speed / 4.75-9.5cm) |
| Monitor Amplifier | |
| 1.177.260.00 | Monitor Amplifier PCB |
| Special Options (特殊基板) | |
| 1.177.270.00 | Slide Synchronizer PCB |
| 1.177.282.00 | Dissolve Head Amplifier PCB |
信号の流れ順(入口→出口)に並べると以下のようになります。
これらすべて「1枚でステレオ(左右チャンネル)」を処理します。
1. 入力アンプ基板 (Input Amplifier)


| IND. | PART NO. | VALUE | SPECIFICATIONS / EQUIVALENT | MANUF. |
|---|---|---|---|---|
| C 1 | 59.22.6100 | 10 uF | 10%, 35V, El | |
| C 2 | 59.22.6100 | 10 uF | 10%, 35V, El | |
| C 3 | 59.22.8479 | 4.7 uF | -10%, 50V, El | |
| C 4 | 59.32.1152 | 1500 pF | -10%, 50V, Cer | |
| C 5 | 59.32.0470 | 47 pF | -20%, 50V, Cer | |
| C 6 | 59.25.4221 | 220 uF | -10%, 25V, El | |
| C 7 | 59.25.3121 | 125 uF | -10%, 16V, El | |
| C 8 | 59.31.1104 | 0.1 uF | 20%, 100V, MPETP | |
| C 9 | 59.22.5470 | 47 uF | 20%, 25V, El | |
| C 10 | 59.32.0470 | 47 pF | -20%, 50V, Cer | |
| C 11 | 59.22.6100 | 10 uF | -10%, 35V, El | |
| C 12 | 59.22.6100 | 10 uF | -10%, 35V, El | |
| C 13 | 59.32.3103 | 0.01 uF | +80%, 40V=, Cer | |
| C 14 | 59.22.6100 | 10 uF | -10%, 35V, El | |
| C 15 | 59.25.3121 | 125 uF | -10%, 16V, El | |
| C 16 | 59.22.6100 | 10 uF | -10%, 35V, El | |
| C 17 | 59.22.6100 | 10 uF | -10%, 35V, El | |
| C 18 | 59.22.8479 | 4.7 uF | -10%, 50V, El | |
| C 19 | 59.32.0470 | 47 pF | -20%, 50V, Cer | |
| C 20 | 59.32.1152 | 1500 pF | -10%, 50V, Cer | |
| C 21 | 59.22.6100 | 10 uF | -10%, 35V, El | |
| C 22 | 59.32.3103 | 0.01 uF | +80%, 40V=, Cer | |
| C 23 | 59.22.6100 | 10 uF | -10%, 35V, El | |
| C 24 | 59.32.0470 | 47 pF | -20%, 50V, El | |
| C 25 | 59.22.5470 | 47 uF | 20%, 25V, El | |
| IC 1 | 50.05.0288 | TBA 231 | A | |
| P 1 | 54.01.0220 | 9-Pole | Pin-Strip | AMP |
| P 2 | 54.01.0470 | 4-Pole | Pin-Strip | AMP |
| Q 1 | 50.03.0305 | BC 179 B | PNP | |
| Q 2 | 50.03.0439 | BC 109 C | NPN | |
| Q 3 | 50.03.0329 | SPF 316 | P-channel J-FET | M,T |
| Q 4 | 50.03.0329 | SPF 316 | P-channel J-FET | M,T |
| Q 5 | 50.03.0436 | BC 107 B | NPN | |
| Q 6 | 50.03.0305 | BC 179 B | PNP | |
| Q 7 | 50.03.0439 | BC 109 C | NPN | |
| Q 8 | 50.03.0436 | BC 107 B | NPN | |
| R 1 | 57.11.4104 | 100 kOhm | 5%, 0.25W, CF | |
| R 2 | 57.11.4103 | 10 kOhm | 5%, 0.25W, CF | |
| R 3 | 57.11.4103 | 10 kOhm | 5%, 0.25W, CF | |
| R 4 | 57.11.4103 | 10 kOhm | 5%, 0.25W, CF | |
| R 5 | 57.11.4103 | 10 kOhm | 5%, 0.25W, CF | |
| R 6 | 57.11.4470 | 47 Ohm | 5%, 0.25W, CF | |
| R 7 | 57.11.4472 | 4.7 kOhm | 5%, 0.25W, CF | |
| R 8 | 57.11.4472 | 4.7 kOhm | 5%, 0.25W, CF | |
| R 9 | 57.11.4184 | 180 kOhm | 5%, 0.25W, CF | |
| R 10 | 57.11.4223 | 22 kOhm | 5%, 0.25W, CF | |
| R 11 | 57.11.4224 | 220 kOhm | 5%, 0.25W, CF | |
| R 12 | 57.11.4104 | 100 kOhm | 5%, 0.25W, CF | |
| R 13 | 57.11.4104 | 100 kOhm | 5%, 0.25W, CF | |
| R 14 | 57.11.4682 | 6.8 kOhm | 5%, 0.25W, CF | |
| R 15 | 57.11.4103 | 10 kOhm | 5%, 0.25W, CF | |
| R 16 | 57.11.4470 | 47 Ohm | 5%, 0.25W, CF | |
| R 17 | 57.11.4221 | 220 Ohm | 5%, 0.25W, CF | |
| R 18 | 57.11.4103 | 10 kOhm | 5%, 0.25W, CF | |
| R 19 | 57.11.4183 | 18 kOhm | 5%, 0.25W, CF | |
| R 20 | 57.11.4680 | 68 Ohm | 5%, 0.25W, CF | |
| R 21 | 57.11.4682 | 6.8 kOhm | 5%, 0.25W, CF | |
| R 22 | 57.11.4105 | 1 MOhm | 5%, 0.25W, CF | |
| R 23 | 57.11.4333 | 33 kOhm | 5%, 0.25W, CF | |
| R 24 | 57.11.4104 | 100 kOhm | 5%, 0.25W, CF | |
| R 25 | 57.11.4103 | 10 kOhm | 5%, 0.25W, CF | |
| R 26 | 57.11.4153 | 15 kOhm | 5%, 0.25W, CF | |
| R 27 | 57.11.4330 | 33 Ohm | 5%, 0.25W, CF | |
| R 28 | 57.11.4470 | 47 Ohm | 5%, 0.25W, CF | |
| R 29 | 57.11.4224 | 220 kOhm | 5%, 0.25W, CF | |
| R 30 | 57.11.4104 | 100 kOhm | 5%, 0.25W, CF | |
| R 31 | 57.11.4184 | 180 kOhm | 5%, 0.25W, CF | |
| R 32 | 57.11.4104 | 100 kOhm | 5%, 0.25W, CF | |
| R 33 | 57.11.4223 | 22 kOhm | 5%, 0.25W, CF | |
| R 34 | 57.11.4682 | 6.8 kOhm | 5%, 0.25W, CF |

- 正式名称: Input Amplifier PCB
- パーツNo: 1.177.220.00
- 役割: マイクやライン入力(AUX)の信号を増幅し、録音アンプへ渡せるレベルまで引き上げます。
2. 録音アンプ基板 (Record Amplifier)


| IND. | PART NO. | VALUE | SPECIFICATIONS / EQUIVALENT | MANUF. |
|---|---|---|---|---|
| C 1 | 59.11.6272 | 2700 pF | 5%, 400V, PC | |
| C 2 | 59.11.6272 | 2700 pF | 5%, 400V, PC | |
| C 3 | 59.11.6272 | 2700 pF | 5%, 400V, PC | |
| C 4 | 59.11.6272 | 2700 pF | 5%, 400V, PC | |
| C 5 | 59.22.3101 | 100 uF | 10%, 12V, El | |
| C 6 | 59.32.0220 | 22 pF | 20%, 500V, Cer | |
| C 7 | 59.31.6104 | 0.1 uF | 10%, 100V, MPETP | |
| C 8 | 59.22.8479 | 4.7 uF | 10%, 50V, El | |
| C 9 | 59.22.8479 | 4.7 uF | 10%, 50V, El | |
| C 10 | 59.22.8479 | 4.7 uF | 10%, 50V, El | |
| C 11 | 59.22.8109 | 1 uF | 10%, 50V, El | |
| C 12 | 59.22.8479 | 4.7 uF | 10%, 50V, El | |
| C 13 | 59.99.0257 | 0.033 uF | 10%, 160V, PETP | |
| C 14 | 59.22.3470 | 47 uF | 10%, 10V, El | |
| C 15 | 59.31.9103 | 0.01 uF | 10%, 100V, PETP | |
| C 16 | 59.11.6471 | 470 pF | 5%, 400V, PC | |
| C 17 | 59.11.6332 | 3300 pF | 5%, 400V, PC | |
| C 18 | 59.22.3101 | 100 uF | 10%, 12V, El | |
| C 19 | 59.32.0220 | 22 pF | 20%, 500V, Cer | |
| C 20 | 59.31.6104 | 0.1 uF | 10%, 100V, MPETP | |
| C 21 | 59.22.8479 | 4.7 uF | 10%, 50V, El | |
| C 22 | 59.22.8109 | 1 uF | 10%, 50V, El | |
| C 23 | 59.22.8479 | 4.7 uF | 10%, 50V, El | |
| C 24 | 59.99.0257 | 0.033 uF | 10%, 160V, PETP | |
| C 25 | 59.22.3470 | 47 uF | 10%, 10V, El | |
| C 26 | 59.31.9103 | 0.01 uF | 10%, 100V, PETP | |
| C 27 | 59.11.6471 | 470 pF | 5%, 400V, PC | |
| C 28 | 59.11.6332 | 3300 pF | 5%, 400V, PC | |
| L 1 | 1.177.231.00 | S | ||
| L 2 | 62.02.1222 | 2.2 mH | 5% | |
| L 3 | 1.177.231.00 | S | ||
| L 4 | 62.02.1222 | 2.2 mH | 5% | |
| P 1 | 54.01.0220 | 9-Pole | Pin-Strip | AMP |
| P 2 | 54.01.0270 | 8-Pole | Pin-Strip | AMP |
| Q 1 | 50.03.0439 | BC 109 C | NPN | |
| Q 2 | 50.03.0436 | BC 107 B | NPN | |
| Q 3 | 50.03.0436 | BC 107 B | NPN | |
| Q 4 | 50.03.0436 | BC 107 B | NPN | |
| Q 5 | 50.03.0439 | BC 109 C | NPN | |
| Q 6 | 50.03.0436 | BC 107 B | NPN | |
| Q 7 | 50.03.0436 | BC 107 B | NPN | |
| Q 8 | 50.03.0436 | BC 107 B | NPN | |
| R 1 | ||||
| R 2 | ||||
| R 3 | ||||
| R 4 | ||||
| R 5 | 57.11.4821 | 820 Ohm | 5%, 0.25W, CF | |
| R 6 | 57.11.4332 | 3.3 kOhm | 5%, 0.25W, CF | |
| R 7 | 58.02.4223 | 22 kOhm | 10%, 0.1 W, CF | |
| R 8 | 57.11.4563 | 56 kOhm | 5%, 0.25W, CF | |
| R 9 | 57.11.4104 | 100 kOhm | 5%, 0.25W, CF | |
| R 10 | 57.11.4154 | 150 kOhm | 5%, 0.25W, CF | |
| R 11 | 57.11.4563 | 56 kOhm | 5%, 0.25W, CF | |
| R 12 | 58.02.4223 | 22 kOhm | 10%, 0.1 W, CF | |
| R 13 | 58.02.4223 | 22 kOhm | 10%, 0.1 W, CF | |
| R 14 | 57.11.4472 | 4.7 kOhm | 5%, 0.25W, CF | |
| R 15 | 57.11.4682 | 6.8 kOhm | 5%, 0.25W, CF | |
| R 16 | 57.11.4681 | 680 Ohm | 5%, 0.25W, CF | |
| R 17 | 57.11.4224 | 220 kOhm | 5%, 0.25W, CF | |
| R 18 | 57.11.4331 | 330 Ohm | 5%, 0.25W, CF | |
| R 19 | 57.11.4102 | 1 kOhm | 5%, 0.25W, CF | |
| R 20 | 57.11.4224 | 220 kOhm | 5%, 0.25W, CF | |
| R 21 | 57.11.4104 | 100 kOhm | 5%, 0.25W, CF | |
| R 22 | 58.02.4223 | 22 kOhm | 10%, 0.1 W, CF | |
| R 23 | 57.11.4563 | 56 kOhm | 5%, 0.25W, CF | |
| R 24 | 57.11.4821 | 820 Ohm | 5%, 0.25W, CF | |
| R 25 | 57.11.4104 | 100 kOhm | 5%, 0.25W, CF | |
| R 26 | 57.11.4332 | 3.3 kOhm | 5%, 0.25W, CF | |
| R 27 | 58.02.4223 | 22 kOhm | 10%, 0.1 W, CF | |
| R 28 | 58.02.4223 | 22 kOhm | 10%, 0.1 W, CF | |
| R 29 | 57.11.4154 | 150 kOhm | 5%, 0.25W, CF | |
| R 30 | 57.11.4472 | 4.7 kOhm | 5%, 0.25W, CF | |
| R 31 | 57.11.4682 | 6.8 kOhm | 5%, 0.25W, CF | |
| R 32 | 57.11.4563 | 56 kOhm | 5%, 0.25W, CF | |
| R 33 | 57.11.4681 | 680 Ohm | 5%, 0.25W, CF | |
| R 34 | 57.11.4224 | 220 kOhm | 5%, 0.25W, CF | |
| R 35 | 57.11.4102 | 1 kOhm | 5%, 0.25W, CF | |
| R 36 | 57.11.4331 | 330 Ohm | 5%, 0.25W, CF | |
| R 37 | 57.11.4224 | 220 kOhm | 5% 0.25W, CF | |
| R 38 | 57.11.4104 | 100 kOhm | 5%, 0.25W, CF | |
| R 39 | 57.11.4104 | 100 kOhm | 5%, 0.25W, CF | |
| R 40 | 57.11.4104 | 100 kOhm | 5%, 0.25W, CF |

- 正式名称: Record Amplifier PCB (NAB 7.5 – 15 ips)
- パーツNo: 1.177.230.81
- 仕様:High Speed (19cm/s & 38cm/s)
- この基板は、プロ用規格であるハイスピード仕様専用にチューニングされています。標準機(9.5/19cm)とは回路定数が異なるため、非常に貴重なパーツです。
この基板は、B77が「ただの再生機」ではなく「録音機」として機能するための心臓部です。
特にハイスピード仕様(7.5/15 ips)のこの基板は、適切にメンテナンスすれば、現代のデジタル録音にも劣らない、太く艶のあるアナログサウンドをテープに刻み込むことができます。
3. 発振回路基板 (Oscillator)



録音の品質を根底から支える「発振回路(オシレーター)基板」です。
右下の 19/38 というスタンプは、テープ速度 19cm/s (7.5ips) と 38cm/s (15ips) に対応したハイスピード仕様であることを示しています。
- 正式名称: Oscillator PCB
- 推定パーツNo: 1.177.243.00 (High Speed仕様)
- 役割: 録音ヘッドに必要な「バイアス電流(高周波)」と、消去ヘッドで音を消すための「消去信号」を生成します。
この基板は部品点数は少ないですが、一つ一つの部品が「録音の質」に直結します。
1. 黒いブロック “AZ1531…”(発振トランス)
左側にある2つの黒い箱は、高周波を作り出すための発振用トランス(コイル)です。
- 役割: ここで150kHz前後の高い周波数の信号が作られ、音楽信号と混ぜ合わされてテープに記録されます(交流バイアス法)。
- 注意: 基本的に壊れませんが、ハンダクラック(割れ)が起きやすい箇所なので、裏面のハンダ付けをチェック・修正(再ハンダ)しておくと安心です。
2. “FRAKO” コンデンサ(3兄弟)
上部に並んでいる3つの金色のコンデンサ。
- 警告: これらも全交換です。
オシレーターの電源ラインにあるコンデンサが劣化すると、バイアス信号が不安定になり、「録音レベルがふらつく」「以前の音が消え残る」といった致命的な不具合につながります。
3. 4つの半固定抵抗(上部の黒い部品)
基板の上端に並んでいる4つの黒い丸い部品です。
- 役割: 録音バイアス量(Bias)や録音レベルなどを、左右チャンネル・テープ速度ごとに微調整するためのものです。
- 絶対禁止事項: 絶対にドライバーで回さないでください。
ここは「ミリボルト単位」の精密な調整がされており、測定器なしで回すと、高域が全く出なくなったり、音が歪んだりします。コンデンサ交換の際も、指が当たって回ってしまわないよう細心の注意を払ってください。
4. “19/38” のスタンプ
右下の印字は、このB77がプロ用規格である「ハイスピードモデル(2トラ38など)」であることを示しています。
標準モデル(9.5/19)の発振回路とは定数が異なるため、もし基板ごと交換する場合は、同じ数字が書かれたものを探す必要があります。
「再生は綺麗なのに、録音すると音が濁る」
そんな時は、録音アンプだけでなく、このオシレーター基板のコンデンサ劣化を疑うのがセオリーです。
ただし、調整トリマーには絶対に触れずに、コンデンサだけを交換する「外科手術」のような慎重さが求められる基板でもあります。
4. 再生アンプ基板 (Reproduce Amplifier)


| Idx. | Pos. | Part No. | Type/Val. | Description |
|---|---|---|---|---|
| 1 | C 1 | 59.25.1222 | 2m2 | C-EL, 20%, 6.3V |
| 0 | C 2 | 59.22.8479 | 4u7 | EL 50V, 20%, RM5 |
| 0 | C 3 | 59.22.6220 | 22u | EL 35V, 20%, RM5 |
| 0 | C 4 | 59.11.6221 | C 220 P , 5%, 400V , PC | |
| 1 | C 5 | 59.25.1222 | 2m2 | C-EL, 20%, 6.3V |
| 0 | C 6 | 59.32.0101 | C 100 P , 20%, 400V , CER | |
| 0 | C 7 | 59.22.6220 | 22u | EL 35V, 20%, RM5 |
| 0 | C 8 | 59.32.0101 | C 100 P , 20%, 400V , CER | |
| 0 | C 9 | 59.22.8479 | 4u7 | EL 50V, 20%, RM5 |
| 0 | C 10 | 59.99.0259 | C 2.7 N , 10%, 400V , MPETP | |
| 0 | C 11 | 59.22.8479 | 4u7 | EL 50V, 20%, RM5 |
| 0 | C 12 | 59.11.3103 | C .01 U , 5%, 160V , PC | |
| 0 | C 13 | 59.22.3101 | 100u | EL 10V, 20%, RM5 |
| 0 | C 14 | 59.11.6561 | C 560 P , 5%, 400V , PC | |
| 0 | C 15 | 59.32.0101 | C 100 P , 20%, 400V , CER | |
| 0 | C 16 | 59.22.8479 | 4u7 | EL 50V, 20%, RM5 |
| 0 | C 17 | 59.11.6221 | C 220 P , 5%, 400V , PC | |
| 0 | C 18 | 59.32.0101 | C 100 P , 20%, 400V , CER | |
| 0 | C 19 | 59.22.8479 | 4u7 | EL 50V, 20%, RM5 |
| 0 | C 20 | 59.99.0259 | C 2.7 N , 10%, 400V , MPETP | |
| 0 | C 21 | 59.25.4101 | 100u | C-EL, 20%, 25V |
| 0 | C 22 | 59.22.3101 | 100u | EL 10V, 20%, RM5 |
| 0 | C 23 | 59.22.8479 | 4u7 | EL 50V, 20%, RM5 |
| 0 | C 24 | 59.11.6561 | C 560 P , 5%, 400V , PC | |
| 2 | C 25 | 59.11.3103 | C .01 U , 5%, 160V , PC | |
| 0 | C 26 | 59.36.5339 | C 3.3 U , 20%, 35V , TA | |
| 0 | D 1 | 50.04.0125 | 1N4448 | 75V, 150mA, 4ns, DO-35 |
| 0 | L 1 | 62.02.1222 | L 2.2 M , 5%, D 8 | |
| 0 | L 2 | 62.02.1222 | L 2.2 M , 5%, D 8 | |
| 0 | P 1 | 54.01.0270 | 8-P | P LEISTE 8 POL CIS WINKEL |
| 0 | P 2 | 54.01.0271 | 10-P | P LEISTE 10 POL CIS WINKEL |
| 2 | Q 1 | 50.03.0407 | BC550C | BC 550 C |
| 0 | Q 2 | 50.03.0407 | BC550C | BC 550 C |
| 0 | Q 3 | 50.03.0436 | BC237B | BC 237 B, 547 B, 550 B, |
| 0 | Q 4 | 50.03.0407 | BC550C | BC 550 C |
| 0 | Q 5 | 50.03.0436 | BC237B | BC 237 B, 547 B, 550 B, |
| 0 | Q 6 | 50.03.0436 | BC237B | BC 237 B, 547 B, 550 B, |
| 2 | Q 7 | 50.03.0407 | BC550C | BC 550 C |
| 0 | Q 8 | 50.03.0436 | BC237B | BC 237 B, 547 B, 550 B, |
| 0 | Q 9 | 50.03.0436 | BC237B | BC 237 B, 547 B, 550 B, |
| 0 | Q 10 | 50.03.0407 | BC550C | BC 550 C |
| 0 | Q 11 | 50.03.0407 | BC550C | BC 550 C |
| 0 | Q 12 | 50.03.0436 | BC237B | BC 237 B, 547 B, 550 B, |
| 2 | R 1 | 57.11.3224 | 220k | MF, 1%, 0207 |
| 2 | R 2 | 57.11.3331 | 330R | MF, 1%, 0207 |
| 2 | R 3 | 57.11.3154 | 150k | MF, 1%, 0207 |
| 2 | R 4 | 57.11.3682 | 6k8 | MF, 1%, 0207 |
| 2 | R 5 | 57.11.3102 | 1k0 | MF, 1%, 0207 |
| 2 | R 6 | 57.11.3102 | 1k0 | MF, 1%, 0207 |
| 2 | R 7 | 57.11.3391 | 390R | MF, 1%, 0207 |
| 2 | R 8 | 57.11.3680 | 68R | MF, 1%, 0207 |
| 2 | R 9 | 57.11.3392 | 3k9 | MF, 1%, 0207 |
| 2 | R 10 | 57.11.3470 | 47R | MF, 1%, 0207 |
| 2 | R 11 | 57.11.3123 | 12k | MF, 1%, 0207 |
| 2 | R 12 | 57.11.3104 | 100k | MF, 1%, 0207 |
| 2 | R 13 | 57.11.3154 | 150k | MF, 1%, 0207 |
| 2 | R 14 | 57.11.3680 | 68R | MF, 1%, 0207 |
| 2 | R 15 | 57.11.3102 | 1k0 | MF, 1%, 0207 |
| 2 | R 16 | 57.11.3123 | 12k | MF, 1%, 0207 |
| 2 | R 17 | 57.11.3472 | 4k7 | MF, 1%, 0207 |
| 2 | R 18 | 57.11.3104 | 100k | MF, 1%, 0207 |
| 2 | R 19 | 57.11.3153 | 15k | MF, 1%, 0207 |
| 2 | R 20 | 57.11.3182 | 1k8 | MF, 1%, 0207 |
| 0 | R 21 | 58.19.0203 | R 20 K , 20%, .15W , PCSCH | |
| 2 | R 22 | 57.11.3334 | 330k | MF, 1%, 0207 |
| 2 | R 23 | 57.11.3102 | 1k0 | MF, 1%, 0207 |
| 2 | R 24 | 57.11.3154 | 150k | MF, 1%, 0207 |
| 2 | R 25 | 57.11.3102 | 1k0 | MF, 1%, 0207 |
| 2 | R 26 | 57.11.3102 | 1k0 | MF, 1%, 0207 |
| 2 | R 27 | 57.11.3224 | 220k | MF, 1%, 0207 |
| 2 | R 28 | 57.11.3331 | 330R | MF, 1%, 0207 |
| 2 | R 29 | 57.11.3680 | 68R | MF, 1%, 0207 |
| 2 | R 30 | 57.11.3392 | 3k9 | MF, 1%, 0207 |
| 2 | R 31 | 57.11.3470 | 47R | MF, 1%, 0207 |
| 2 | R 32 | 57.11.3104 | 100k | MF, 1%, 0207 |
| 2 | R 33 | 57.11.3154 | 150k | MF, 1%, 0207 |
| 2 | R 34 | 57.11.3123 | 12k | MF, 1%, 0207 |
| 2 | R 35 | 57.11.3104 | 100k | MF, 1%, 0207 |
| 2 | R 36 | 57.11.3680 | 68R | MF, 1%, 0207 |
| 0 | R 37 | 58.19.0203 | R 20 K , 20%, .15W , PCSCH | |
| 2 | R 38 | 57.11.3123 | 12k | MF, 1%, 0207 |
| 2 | R 39 | 57.11.3182 | 1k8 | MF, 1%, 0207 |
| 2 | R 40 | 57.11.3153 | 15k | MF, 1%, 0207 |
| 2 | R 41 | 57.11.3102 | 1k0 | MF, 1%, 0207 |
| 2 | R 42 | 57.11.3472 | 4k7 | MF, 1%, 0207 |
| 2 | R 43 | 57.11.3391 | 390R | MF, 1%, 0207 |
| 2 | R 44 | 57.11.3102 | 1k0 | MF, 1%, 0207 |
| 2 | R 45 | 57.11.3102 | 1k0 | MF, 1%, 0207 |
| 2 | R 46 | 57.11.3102 | 1k0 | MF, 1%, 0207 |
| 2 | R 47 | 57.11.3473 | 47k | MF, 1%, 0207 |

- 枚数: 1枚
- 役割: 再生ヘッドが拾った極めて微弱な信号を増幅し、音楽として聴けるバランス(イコライザー補正)に整えます。
- 特徴: 「REPR. AMP.」というラベルが貼られた基板です。
5. モニターアンプ基板 (Monitor Amplifier)


| Idx. | Pos. | Part No. | Qty. | Type/Val. | Description |
|---|---|---|---|---|---|
| 6 | C 1 | 59.30.7479 | 4u7 | TA, 20%, 25V | |
| 0 | C 2 | 59.32.0101 | C 100 P, 20%, 400V, CER | ||
| 0 | C 3 | 59.32.1330 | 33p | C 33 P, 10%, 400V, CER | |
| 0 | C 4 | 59.22.5101 | 100u | EL 25V, 20%, RM5 | |
| 0 | C 5 | 59.22.6100 | 10u | EL 35V, 20%, RM5 | |
| 6 | C 6 | 59.30.7479 | 4u7 | TA, 20%, 25V | |
| 0 | C 7 | 59.22.8479 | 4u7 | EL 50V, 20%, RM5 | |
| 0 | C 8 | 59.22.8479 | 4u7 | EL 50V, 20%, RM5 | |
| 0 | C 9 | 59.31.1104 | C .1 U, 20%, 100V, MPETP | ||
| 0 | C 10 | 59.22.5101 | 100u | EL 25V, 20%, RM5 | |
| 0 | C 11 | 59.32.0101 | C 100 P, 20%, 400V, CER | ||
| 0 | C 12 | 59.32.1330 | 33p | C 33 P, 10%, 400V, CER | |
| 0 | C 13 | 59.22.8479 | 4u7 | EL 50V, 20%, RM5 | |
| 0 | C 14 | 59.22.6100 | 10u | EL 35V, 20%, RM5 | |
| 0 | C 15 | 59.22.6100 | 10u | EL 35V, 20%, RM5 | |
| 0 | C 16 | 59.22.6100 | 10u | EL 35V, 20%, RM5 | |
| 0 | C 17 | 59.22.8479 | 4u7 | EL 50V, 20%, RM5 | |
| 0 | C 18 | 59.25.5220 | 22u | C-EL, 20%, 40V | |
| 0 | D 1 | 50.04.0953 | D AA 143, 1 K 261, AA 116 GE | ||
| 0 | D 2 | 50.04.0953 | D AA 143, 1 K 261, AA 116 GE | ||
| 0 | D 3 | 50.04.0953 | D AA 143, 1 K 261, AA 116 GE | ||
| 0 | D 4 | 50.04.0953 | D AA 143, 1 K 261, AA 116 GE | ||
| 0 | D 5 | 50.04.0125 | 1N4448 | 75V, 150mA, 4ns, DO-35 | |
| 0 | D 6 | 50.04.1109 | 20V | Zener, 5%, 0.5W, DO-35 | |
| 0 | D 7 | 50.04.0125 | 1N4448 | 75V, 150mA, 4ns, DO-35 | |
| 0 | D 8 | 50.04.0125 | 1N4448 | 75V, 150mA, 4ns, DO-35 | |
| 0 | IC 1 | 50.05.0257 | IC LM 301 AJG, UA 748 CP, A | ||
| 0 | IC 2 | 50.05.0257 | IC LM 301 AJG, UA 748 CP, A | ||
| 0 | IC 3 | 50.05.0245 | IC RC 4558 JG, MC 4558 CP1, A | ||
| 5 | K 1 | 56.04.0120 | K 24V 4*U, >80MV/.05MA, PRINT | ||
| 0 | P 1 | 54.01.0270 | 8-P | P LEISTE 8 POL CIS WINKEL | |
| 0 | P 2 | 54.01.0220 | 9-P | P LEISTE 9 POL CIS WINKEL | |
| 0 | Q 1 | 50.03.0318 | BC 558 B, BC 308 B, BC 252 B | ||
| 0 | Q 2 | 50.03.0436 | BC237B | BC 237 B, 547 B, 550 B | |
| 0 | Q 3 | 50.03.0318 | BC 558 B, BC 308 B, BC 252 B | ||
| 0 | Q 4 | 50.03.0318 | BC 558 B, BC 308 B, BC 252 B | ||
| 0 | Q 5 | 50.03.0436 | BC237B | BC 237 B, 547 B, 550 B | |
| 0 | Q 6 | 50.03.0436 | BC237B | BC 237 B, 547 B, 550 B | |
| 0 | Q 7 | 50.03.0436 | BC237B | BC 237 B, 547 B, 550 B | |
| 0 | Q 8 | 50.03.0436 | BC237B | BC 237 B, 547 B, 550 B | |
| 0 | Q 9 | 50.03.0436 | BC237B | BC 237 B, 547 B, 550 B | |
| 0 | Q 10 | 50.03.0436 | BC237B | BC 237 B, 547 B, 550 B | |
| 0 | R 1 | 57.41.4221 | R 220 , 5%, .25W, CSCH | ||
| 0 | R 2 | 57.41.4221 | R 220 , 5%, .25W, CSCH | ||
| 0 | R 3 | 57.41.4221 | R 220 , 5%, .25W, CSCH | ||
| 0 | R 4 | 57.41.4221 | R 220 , 5%, .25W, CSCH | ||
| 0 | R 5 | 57.41.4821 | R 820 , 5%, .25W, CSCH | ||
| 0 | R 6 | 57.41.4183 | R 18 K, 5%, .25W, CSCH | ||
| 0 | R 7 | 57.41.4821 | R 820 , 5%, .25W, CSCH | ||
| 0 | R 8 | 57.41.4272 | R 2.7 K, 5%, .25W, CSCH | ||
| 0 | R 9 | 57.43.4471 | R 470 , 5%, .5 W, CSCH | ||
| 0 | R 10 | 57.41.4683 | R 68 K, 5%, .25W, CSCH | ||
| 0 | R 11 | 57.41.4103 | R 10 K, 5%, .25W, CSCH | ||
| 0 | R 12 | 57.41.4272 | R 2.7 K, 5%, .25W, CSCH | ||
| 0 | R 13 | 57.41.4272 | R 2.7 K, 5%, .25W, CSCH | ||
| 0 | R 14 | 57.41.4103 | R 10 K, 5%, .25W, CSCH | ||
| 0 | R 15 | 57.41.4183 | R 18 K, 5%, .25W, CSCH | ||
| 0 | R 16 | 57.41.4472 | R 4.7 K, 5%, .25W, CSCH | ||
| 0 | R 17 | 57.41.4272 | R 2.7 K, 5%, .25W, CSCH | ||
| 0 | R 18 | 57.41.4472 | R 4.7 K, 5%, .25W, CSCH | ||
| 0 | R 19 | 57.41.4104 | R 100 K, 5%, .25W, CSCH | ||
| 0 | R 20 | 57.41.4473 | R 47 K, 5%, .25W, CSCH | ||
| 0 | R 21 | 57.11.4472 | R 4.7 K, 2%, 0207, MF | ||
| 0 | R 22 | 57.41.4683 | R 68 K, 5%, .25W, CSCH | ||
| 0 | R 23 | 57.41.4472 | R 4.7 K, 5%, .25W, CSCH | ||
| 0 | R 24 | 57.43.4471 | R 470 , 5%, .5 W, CSCH | ||
| 0 | R 25 | 57.41.4564 | R 560 K, 5%, .25W, CSCH | ||
| 0 | R 26 | 57.41.4273 | R 27 K, 5%, .25W, CSCH | ||
| 0 | R 27 | 57.41.4564 | R 560 K, 5%, .25W, CSCH | ||
| 0 | R 28 | 57.41.4683 | R 68 K, 5%, .25W, CSCH | ||
| 0 | R 29 | 57.41.4472 | R 4.7 K, 5%, .25W, CSCH | ||
| 0 | R 30 | 57.41.4333 | R 33 K, 5%, .25W, CSCH | ||
| 0 | R 31 | 57.41.4104 | R 100 K, 5%, .25W, CSCH | ||
| 0 | R 32 | 57.41.4333 | R 33 K, 5%, .25W, CSCH | ||
| 0 | R 33 | 58.19.0252 | R 2.5 K, 20%, .15W, PCSCH | ||
| 0 | R 34 | 58.99.0131 | R 470 K, LIN, .25W, RTRIM | ||
| 0 | R 35 | 57.41.4222 | R 2.2 K, 5%, .25W, CSCH | ||
| 0 | R 36 | 57.41.4222 | R 2.2 K, 5%, .25W, CSCH | ||
| 0 | R 37 | 58.99.0131 | R 470 K, LIN, .25W, RTRIM | ||
| 0 | R 38 | 57.41.4333 | R 33 K, 5%, .25W, CSCH | ||
| 0 | R 39 | 57.41.4103 | R 10 K, 5%, .25W, CSCH | ||
| 0 | R 40 | 57.41.4473 | R 47 K, 5%, .25W, CSCH | ||
| 0 | R 41 | 57.41.4391 | R 390 , 5%, .25W, CSCH | ||
| 0 | R 42 | 57.41.4273 | R 27 K, 5%, .25W, CSCH | ||
| 0 | R 43 | 58.19.0252 | R 2.5 K, 20%, .15W, PCSCH | ||
| 0 | R 44 | 57.41.4683 | R 68 K, 5%, .25W, CSCH | ||
| 0 | R 45 | 57.41.4183 | R 18 K, 5%, .25W, CSCH | ||
| 0 | R 46 | 57.41.4472 | R 4.7 K, 5%, .25W, CSCH | ||
| 0 | R 47 | 57.41.4333 | R 33 K, 5%, .25W, CSCH | ||
| 0 | R 48 | 57.41.4472 | R 4.7 K, 5%, .25W, CSCH | ||
| 0 | R 49 | 57.41.4183 | R 18 K, 5%, .25W, CSCH | ||
| 0 | R 50 | 57.41.4222 | R 2.2 K, 5%, .25W, CSCH |
(01) 18.7.1977
(02) 8.9.1977
(03) 2.12.1977
(04) 21.12.1981
(05) 13.03.85 Replacement type with better contact material
(06) 04.06.86 Replacement type with smaller leak current

- 枚数: 1枚
- 役割: 最終的な出力用です。VUメーターを振らせたり、ヘッドホン端子を駆動したり、RCA出力端子へ信号を送ります。
- 特徴: 音が出ない、メーターが動かない時はここを疑います。
まとめ:レストアの地図
Revox B77の裏蓋を開けて、下部のシールドカバーを外すと、これら5枚の基板がスロットに並んで刺さっています。
- Input (入口)
- Record (録音用)
- Oscillator (バイアス用)
- Reproduce (再生用)
- Monitor (出口)
「録音基板」と「再生基板」は完全に別物(別々のカード)として存在しており、それぞれの役割に特化しています。
これにより、プロ用機材と同じように、録音しながらその直後の音を再生ヘッドで確認する「同時モニター」が可能になっています。
(01) 85.02.14 Standardized capacitance value for C 5.
(02) 16.9.1994 Q1+Q7 50030439 changed to 50030407
R1-R47 2% changed to 1%